勃裕雙電源 創造品牌影響力
勃裕電氣致力于優良的電子產品研發、生產與銷售
微信/客戶服務熱線:18757770666

發布時間:2019年03月28日 瀏覽量:1421 【返回上一頁】
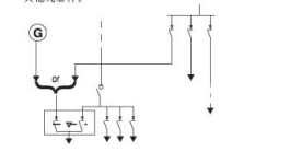
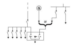
CB級、PC級自動轉換開關定義
CB級——配備過電流脫扣器的ATSE,它的主觸頭能夠接通并用于分斷短路電流
WATSN系列自動轉換開關若選擇具有過電流脫扣器的斷路器作為執行器則屬于CB級自動轉換開關。具備選擇性的保護功能,能對下端的負荷和電纜提供短路和過載保護。其接通和分斷能力遠大于使用接觸器和繼電器等其他元器件。

PC級——能夠接通。承載。但不用于分斷短路電流的ATSE
WATSN系列自動轉換開關若選擇不具有過電流脫扣器的負荷開關作為執行器則屬于PC級自動轉換開關。不具備保護功能,但其具備較高的耐受和接通能力,能夠確保開關自身的安全,不因過載或短路等故障而損壞,在此情況下保證可靠地接通回路。


上一篇:雙電源自動轉換開關工作原理
下一篇:雙電源自動轉換開關有哪些性質?
?2019 上海勃裕電氣有限公司 版權所有?? 滬ICP備14015965號-1