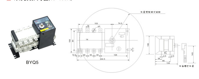
勃裕雙電源 創造品牌影響力
勃裕電氣致力于優良的電子產品研發、生產與銷售

發布時間:2019年03月28日 瀏覽量:1720 【返回上一頁】
它由一個(或幾個)開關器件和其他必要的設備組成,用于檢測電源電路和自動將一個或多個負載電路從一個電源轉換到另一個。
ABB雙電源轉換開關
雙電源轉換開關用途
雙電源開關是一種廣泛應用的電力變換設備。當公共電源無電壓、欠壓、過電壓、缺等故障時,可以快速替代從公共電源到備用電源的負載,從而保證功耗的連續性和可靠性。
雙電源轉換開關分類
應用程序域編輯器雙電源自動轉換開關可通過電動和手動操作自動操作。
雙電源自動轉換開關:自動、電動和手動操作
雙電源手動開關:手動操作(通過處理和軸)
低壓配電系統
應用領域
隨著現代工業的快速發展,許多工業,如機場、醫院、消防和重要的軍事設施,對電源的可靠性都有很高的要求。一旦發生電源故障,就會產生嚴重后果。

關鍵參數解讀
殼架額定電流
這與額定電流相對應。外殼電流實際上是斷路器的大小。因此,具有相同外殼框架電流的斷路器的額定電流可能不同,但安裝尺寸相同。斷路器的額定電流不應高于底盤的電流。
額定電流
斷路器正常運行時允許通過的**電流。
額定極限分斷能力
安全切斷故障電流的能力取決于其所在電力系統的短路容量。分斷能力的雙電源斷路器的分斷能力取決于身體使用。
極數
2P、3P、4P
雙電源開關級數
控制器類型
終端型;基本型;智能型;電子型;II型;II型;I型;防火;根據每個品牌的定義
用傳統電磁繼電器構成
數字電子型智能化產品
電器級別
CB級
它由兩個斷路器(微型斷路器、塑料外殼斷路器)作為執行器、聯鎖轉換機構、框架等組成。
其優點是:一般具有熱過載保護功能和短路保護功能,制造成本低.
它的缺陷是:大尺寸比較高,轉換速度較慢(超過1.5s)。
CB級雙電源開關
PC級
PC級雙電源開關

開關體有兩種結構形式:一種是由兩個完全相同的隔離開關或負載開關和機械聯鎖操作機構組成,另一種是集成的專用PC自動轉換開關。對整個開關(包括觸頭材料、壓力、分離速度、滅弧機構、傳動機構等)進行獨立設計。
其優點是:結構簡單,體積小,轉換速度快(小于ms)。有較高的耐受性和溝通能力。
缺點是:一般需要另外配備短路保護電器、制造成本高。
運行模式
自切換是自更新;自切換不是自更新;互待;自切換是自更新,自切換不是自更新,互待;電網發電;電網-電網
雙電源開關一般分為兩種模式:自動模式和手動模式。
根據自動工作方式下備用電源的不同,將雙電源開關的控制功能分為供電系統、供電系統和發電機供電系統。
電網發電機供電系統可以分為自投式、自投式和非自投式兩種。
下一篇:雙電源自動轉換開關操作詳解
?2019 上海勃裕電氣有限公司 版權所有?? 滬ICP備14015965號-1